
Ó¦ÓÃÐÎò
¾Ýͳ¼Æ£¬£¬£¬£¬£¬È«ÇòԼĪ50%µÄµçÄÜÓÃÓÚ¹¤Òµ±äƵÇý¶¯£¬£¬£¬£¬£¬Ö÷ÒªÓ¦ÓÃÓÚ·ç»ú¡¢±ÃºÍ¿ÕÆøÑ¹Ëõ»ú¡£¡£¡£¡£¡£Í¨¹ý½ÓÄɱ䯵µ÷ËÙ×°Ö㬣¬£¬£¬£¬¶Ôµç»úµÄËÙÂʺÍת¾Ø¾ÙÐпØÖÆ£¬£¬£¬£¬£¬ÊµÏÖµç»úÔËÐÐÀú³ÌÓÅ»¯£¬£¬£¬£¬£¬¿ÉÏÔÖøµÄ½ÚÄÜ¡£¡£¡£¡£¡£±äƵÆ÷Ó¦ÓùæÄ£¹ã£¬£¬£¬£¬£¬Ó¦ÓÃÇéÐβî±ð´ó£¬£¬£¬£¬£¬»áƵÈÔ·ºÆð¹ýÔØ¡¢ÖØÔصÈÔËÐÐ״̬£¬£¬£¬£¬£¬¿Í»§ÐèÒªÄ͹¦Âʹ¥»÷Ç¿¡¢ÄͶÌ·ÄÜÁ¦Ê±¼ä³¤¡¢ÇÒ¿É¿¿ÐԸߵÄIGBTÆ÷¼þ¡£¡£¡£¡£¡£
CRMICRO ÐÂÒ»´ú 1200V IGBT²úÆ·£¬£¬£¬£¬£¬ÔÚ¹µ²ÛÕ¤µç³¡×èÖ¹ÊÖÒÕ(FS)»ù´¡ÉÏ£¬£¬£¬£¬£¬Õë¶Ôµç»úÇý¶¯ÏµÍ³Ó¦ÓÃÓÅ»¯ÁËоƬ½á¹¹£¬£¬£¬£¬£¬½ÓÄɸüΪÏȽøµÄ¼õ±¡¹¤ÒÕ£¬£¬£¬£¬£¬½µµÍÁ˹¦ÂÊÏûºÄ£¬£¬£¬£¬£¬ÔöÇ¿Á˳°ôÐÔ£¨Ç¿¶Ì·ÄÜÁ¦£©£¬£¬£¬£¬£¬Í¬Ê±ÌáÉýÁËIGBTÆ÷¼þµÄ¿É¿¿ÐÔºÍÉú²úÎȹÌÐÔ£¬£¬£¬£¬£¬´ó·ùÌáÉýÁËIGBTÆ÷¼þʹÓÃÊÙÃü¡£¡£¡£¡£¡£
ͬʱÕë¶Ôµç»úÇý¶¯ÏµÍ³µÄ¸¨ÖúµçÔ´Ó¦Ó㬣¬£¬£¬£¬CRMICROÍÆ³öÁËÄÍѹ¸ß´ï1500VµÄMOSÆ÷¼þ²úÆ·£¬£¬£¬£¬£¬Îª¿Í»§Ìṩȫ¹¦Âʽâ¾ö¼Æ»®¡£¡£¡£¡£¡£
²úÆ·ÌØÉ«
![]() |
Æ÷¼þ¾ß±¸Ç¿µÄ¶Ì·ÄÍÊÜÄÜÁ¦ | ![]() |
³¬¸ßѹMOS Ä͹¥»÷Á¦Ç¿ | |
![]() |
IGBT¾ß±¸µÍµÄµ¼Í¨ÏûºÄºÍ¿ª¹ØÏûºÄ | ![]() |
Æ÷¼þ¾ßÓи߿ɿ¿ÐÔ£¬£¬£¬£¬£¬ÊÊÓÚ¹¤Òµ¼¶Ó¦Óà |
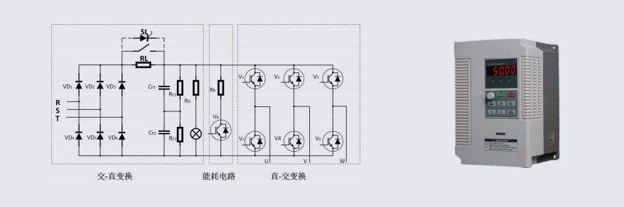
Ó¦ÓÃÔÀíͼ
µä·¶Ó¦ÓÃÍØÆËͼ

Ó¦ÓÃÑ¡ÐÍÍÆ¼ö
